Functional orange test fixture based on Fork

- Testing the board functionality for the Nota project
- Used in production in China
- Tests are written in PyTest

For the worker: the "Start " and "Stop" buttons and the "Passed" and "Dont Passed" LEDs
For engineers: detailed reports in html are sent to the server
For developers: Open Source tests and constructs
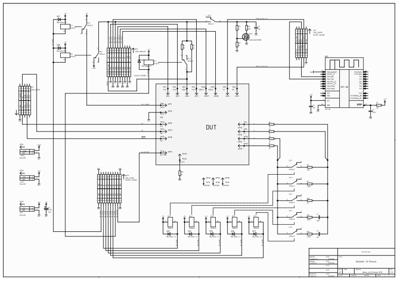
PC
5V power supply
FORK
PowerUSBhub
Compatibility board
USB Programmer
NOTA
(DUT)
LEDs and buttons
Block diagram of the stand
Stages of the stand operation:
1. Programming
2. Getting the serial number from the server
3. Write the serial number to the board
4. Calibration
5. Testing
PUH
NOTA - Device Under Testing(DUT)
FORK - the test fixture
PowerUSBhub(PUH)
  • test active_current Min: 0.04A Max: 0.045A
  • test charge_current JSCB Min: 0.17A Max: 0.19A
  • test sleep_current Min: 0A Max: 0.01A
  • test VBAT Min: 3.7V Max: 3.95V
  • test 3V3 Min: 3.15V Max: 3.45V
  • test VDDA Min: 6.2V Max: 6.59V
  • test VREF Min: 0.85V Max: 0.95V
  • test measure_510R Min: 500 Om Max: 520 Om
  • test UART Ok
  • test connection_ble Ok
  • 8 Digital Outputs can be used as active/passive output, connect a relay or PWM on every channel;
  • 8 Digital Inputs can be used as dry contact with input voltage up to 30V, with frequency measurement and pulse calculation features;
  • 8 Analog Inputs -10..10V with overvoltage protection. One diff channel . Up to 1M Sample rate;
  • 2 Analog Outputs 0..10V output with short circuit protection. Sin/triangle/saw/random wave generator features;
  • 3 UART, SPI or I2C for connection with external devices like ADC, DAC, external memory, sensors etc.;
  • Ethernet, Wi-Fi to connect with computer, RPi or Smartphone for total galvanic isolation.
  • Supply voltage 5V
  • Supply voltage 5V
  • Managed USB hub up to 4 ports Yes
  • Fixed power supplies Min 3.3 V, 500mA Max 5V, 300mA
  • Managed power supplies 1.25..32V 5W
  • Control via the USB and UART from the Fork/PC Yes
  • Digital Outputs 2
  • Digital Inputs 2
  • Spi for connecting the LCD screen Yes
NOTA - board under test
FORK - the tester
Compatibility board
This board is used to place a Pogo-pins for connecting to the device under test (DUT). It contains shunts for measuring current consumption, resistors for calibration, and relays for switching them to DUT. We develop the compatibility board separately for each DUT, so you will have to do it yourself.
See how simple it is. It will take you less than one day to design it!
Example of a device testing report. You can view the full version by clicking on the button
When the board comes out of the assembly line at the factory, it must be tested. We do this using a Fork that connects the board with needles. Here is a real stand of a real NOTA device.
Fork manages:
1. Measuring all important voltages on the board.
2. Connecting the reference RC and measuring their impedance (the stand evaluates the difference between the measured and the standard and decides whether the board is working or not).
3. Checks the Bluetooth functionality.
Stand on the Fork
Step1
In the center of the "heart" NOTA. The board is located on an auxiliary board with needles through which readings are taken from the device. Before the final assembly of the case, packing it in a box and sending it to the buyer, we test each NOTA for correct operation, since accuracy is the first criterion for correct diagnostics.
Step 2
3D model of the test stand
After 3D modeling, real modeling begins. The test engineer builds an orange test stand, which was modeled on the stand from Step 1.
The board modeled in Step 2 is located in the upper part, and the Fork is hidden in the lower part of the stand.
Orange test stand
Step 3
After the orange stand is fully assembled, the NOTA board is tested in the office. This is a mandatory step, since the stand will travel thousands of kilometers to production, and there will not be an opportunity to quickly correct something.
Step 4
It works!)
After testing in our office, the test device left for production in China, where the factory's direct employees are already testing the boards of our device. We can see the test results in real time and can intervene in production at any time.
At the factory
Step 5
A little bit about the NOTA
NOTA Mole Tracker – Take Charge of Your Skin At Home

A major breakthrough in scientific research lets you measure the impedance of your moles – easy as taking your temperature at home!

NOTA – a surprisingly effective app-powered mole tracker. NOTA works by measuring the electrical impedance of moles on your skin.

It is actually a little known fact that moles and tumors have a very different electrical impedance – this is what allows NOTA to work, and track changes in your body over time.
Assemble your test stand
Below you can order the key components of our stand at a favorable price and assemble your assistant for automated testing.
Orange stand
Pogo-pin
for 100 pieces
FORK
PowerUSBhub
FORK + PowerUSBhub

Examples of testing on the Fork

Subscribe news
© All Rights Reserved, 2022 Privacy policy forktestlab@gmail.com